Krimsus86.com, Kapuas Hulu – Pembangunan Dapur Makan Bergizi (MBG) yang berlokasi di Desa Nanga Dua, Kecamatan Bunut Hulu, Kabupaten Kapuas Hulu, kembali menjadi sorotan publik. Sorotan tersebut muncul menyusul beredarnya dokumen dan gambar teknis perencanaan bangunan yang menunjukkan penggunaan konstruksi berbasis kayu, termasuk pada bagian pondasi dan struktur utama bangunan.
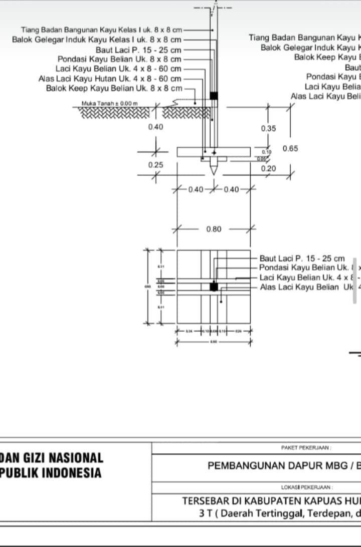
Berdasarkan dokumen teknis yang diperoleh redaksi, bangunan Dapur MBG tersebut dirancang menggunakan pondasi kayu belian, balok pengikat, serta tiang badan bangunan dengan ukuran tertentu yang dinilai relatif kecil untuk sebuah fasilitas layanan publik. Desain ini kemudian memunculkan pertanyaan terkait kesesuaian standar bangunan negara, mengingat Dapur MBG direncanakan sebagai fasilitas operasional jangka panjang dalam mendukung program pemenuhan gizi masyarakat.
Secara normatif, pembangunan Dapur MBG terikat pada sejumlah regulasi nasional, antara lain:
Undang-Undang Nomor 28 Tahun 2002 tentang Bangunan Gedung, yang mengatur bahwa setiap bangunan gedung wajib memenuhi persyaratan keselamatan, kesehatan, kenyamanan, dan kemudahan, terutama untuk bangunan layanan publik.
Peraturan Pemerintah Nomor 16 Tahun 2021 tentang Bangunan Gedung, yang menegaskan kewajiban pemenuhan standar teknis sesuai fungsi dan klasifikasi bangunan.
Peraturan Menteri PUPR Nomor 22/PRT/M/2018 tentang Pembangunan Bangunan Gedung Negara, yang mengatur bahwa bangunan negara pada prinsipnya bersifat permanen, kecuali ditetapkan sebagai bangunan sementara dengan dasar pertimbangan teknis dan administratif.
Peraturan Presiden Nomor 12 Tahun 2021 tentang Pengadaan Barang/Jasa Pemerintah, yang menekankan prinsip efisiensi, efektivitas, transparansi, dan akuntabilitas.
Undang-Undang Nomor 17 Tahun 2003 tentang Keuangan Negara, yang mengamanatkan pertanggungjawaban hukum dan administratif atas setiap penggunaan anggaran negara.
Audit Teknis Dinilai Mendesak
Sejumlah pemerhati kebijakan publik menilai bahwa penggunaan konstruksi kayu pada bangunan Dapur MBG tidak serta-merta melanggar ketentuan hukum. Namun demikian, mereka menekankan pentingnya audit teknis independen guna memastikan bangunan tersebut memenuhi standar keselamatan dan keandalan struktur.
Audit teknis tersebut dinilai perlu untuk memastikan:
Kesesuaian desain dengan standar bangunan gedung negara.
Ketahanan struktur terhadap beban serta kondisi lingkungan setempat.
Kesesuaian antara perencanaan, Rencana Anggaran Biaya (RAB), dan pelaksanaan fisik di lapangan.
“Audit teknis penting agar tidak terjadi kesenjangan antara fungsi bangunan sebagai layanan publik dan kualitas konstruksi yang dibangun,” ujar salah satu pemerhati kebijakan daerah yang enggan disebutkan namanya.
Pengawasan Dipertanyakan
Hingga berita ini diterbitkan, belum ada penjelasan resmi dari pihak pelaksana proyek terkait alasan teknis pemilihan konstruksi kayu, status bangunan apakah bersifat permanen atau semi permanen, serta mekanisme pengawasan teknis dan anggaran selama proses pelaksanaan pekerjaan.
Publik berharap Inspektorat Daerah, Aparat Pengawasan Intern Pemerintah (APIP), serta Badan Pemeriksa Keuangan (BPK) dapat melakukan penelaahan menyeluruh guna memastikan pembangunan Dapur MBG di Desa Nanga Dua berjalan sesuai ketentuan peraturan perundang-undangan, aman, dan akuntabel.
Program Makan Bergizi merupakan bagian dari kebijakan strategis dalam peningkatan kualitas gizi masyarakat. Oleh karena itu, kepatuhan terhadap regulasi bangunan dan tata kelola keuangan negara menjadi syarat mutlak agar tujuan program dapat tercapai tanpa menimbulkan persoalan hukum di kemudian hari.
Reporter: DC
Editor: Tim Krimsus86.com






